Skip to product information
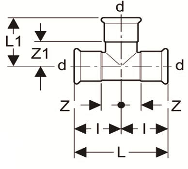
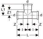
Equal Tee
As with all Europress 316L fittings, the Europress Tees are made of 316L stainless steel and have Australian Watermark accreditation to AS 3688 to AS 5200.053 and carry approval no. WMKA22265. The Tee is for joining pipes of equal diameter and has a shoulder for location of correct insertion depth.
Related Products